| フランジャー | flanger | 遅延装置を通して遅延時間を連続的に変化させた音と、元の音を合成し、ジェット機の離着陸の音が刻々と変化するのに似た効果を作り出す装置。ジェットマシンともいう。 | . |
| プランナー | planner | 一般的には作品または番組を企画する人。音響のプランナーは台本にもとづいて、効果音やその他の音響処理を企画し、監督する。仕事内容は演出家や照明スタッフ、美術スタッフ、作曲家などと打ち合わせをして、音響機器の選定、配置の立案をし、オペレーターに音のバランスや音質などを指示して音を演出する。 | . |
| プリアンプ | preamplifier | 前置増幅器のこと。メインアンプ(→パワーアンプ)の前に設置し、弱小の信号を扱いやすいレベルまで増幅する。プリアンプにはイコライザー(→イコライザー)やトーンコントロール(→トーンコントロール)などの音質調整の回路が付属していることが多い。 | . |
| ブリッジ | bridge |
1.テレビやラジオ番組、舞台劇の中で、ふたつの場面の間を橋渡しするための音楽や効果音などをいう。ブリッジ音、ブリッジ音楽、つなぎの音、つなぎの音楽などともいう。 2.バトンの間に吊ってある舞台装置で、人が乗って歩けるようになっている橋のようなもの。フライブリッジという。 |
. |
| プリフェーダー | pre-fader | プリは「〜の前にある」という意味で、音響調整卓のフェーダーを通過する前の段階から、信号を取りだす(出力する)分配回路を指す。【参照】→ポストフェーダー | . |
| フルレンジスピーカー | full range loudspeaker | ひとつのユニットで低音域から高音域まで全体の帯域を再生するスピーカーをいう。全帯域用スピーカーともいう。 | . |
| プレイバック | play back | →再生。録音した音を再現すること。スタジオで録音した音をその場で再生して、演奏者などに聞かせること。 | . |
| プレスコ | . | プレスコアリング(prescoring)の略。歌や台詞をあらかじめ録音しておいて、歌手や出演者がその音に合わせて、口を動かすだけで声を出さないで演技すること。【反対】→アフレコ | . |
| プログラムソース | program source | CDやテープなど、音を再生するための素となる音源をいう。また、音楽や楽器の種類や内容を指すこともある。 | . |
| プロセニアムスピーカー | proscenium loudspeaker | 劇場のプロセニアムアーチ(舞台用語「プロセニアム参照」)に設置したスピーカーシステムのこと。プロセニアムの両サイドに取り付けられたものは、カラムスピーカーと呼ばれる。 |
|
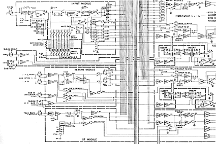
| ブロックダイヤグラム | block diagram | 音響機器などの複雑な回路を、それぞれ機能の異なる部分ごとにブロック化し、その機器の回路構成が簡単に理解できるように図式化したもの。 |
|
| フロントスピーカー | stage front loudspeaker | 舞台前面の床の端に埋め込まれたスピーカーシステム。 | . |
| フロントローデットホーン | front loadedhorn enclosure | コーン型スピーカーの前面に短いホーンを取り付け、低音域の放射効果を高めるスピーカーボックス。主として低音用スピーカーシステムに使用する。 |
|
| ぶんきぼっくす(分岐ボックス) | . | 信号をふたつ以上に分ける回路を収容した箱。抵抗による分岐、トランスによる分岐などがある。 | . |